可靠、专业、创新
Cutting Machine
Inlaying machine
Polishing equipment
lmpression equipment
品种齐全、性能卓越
Cutting consumables
Inlay consumables
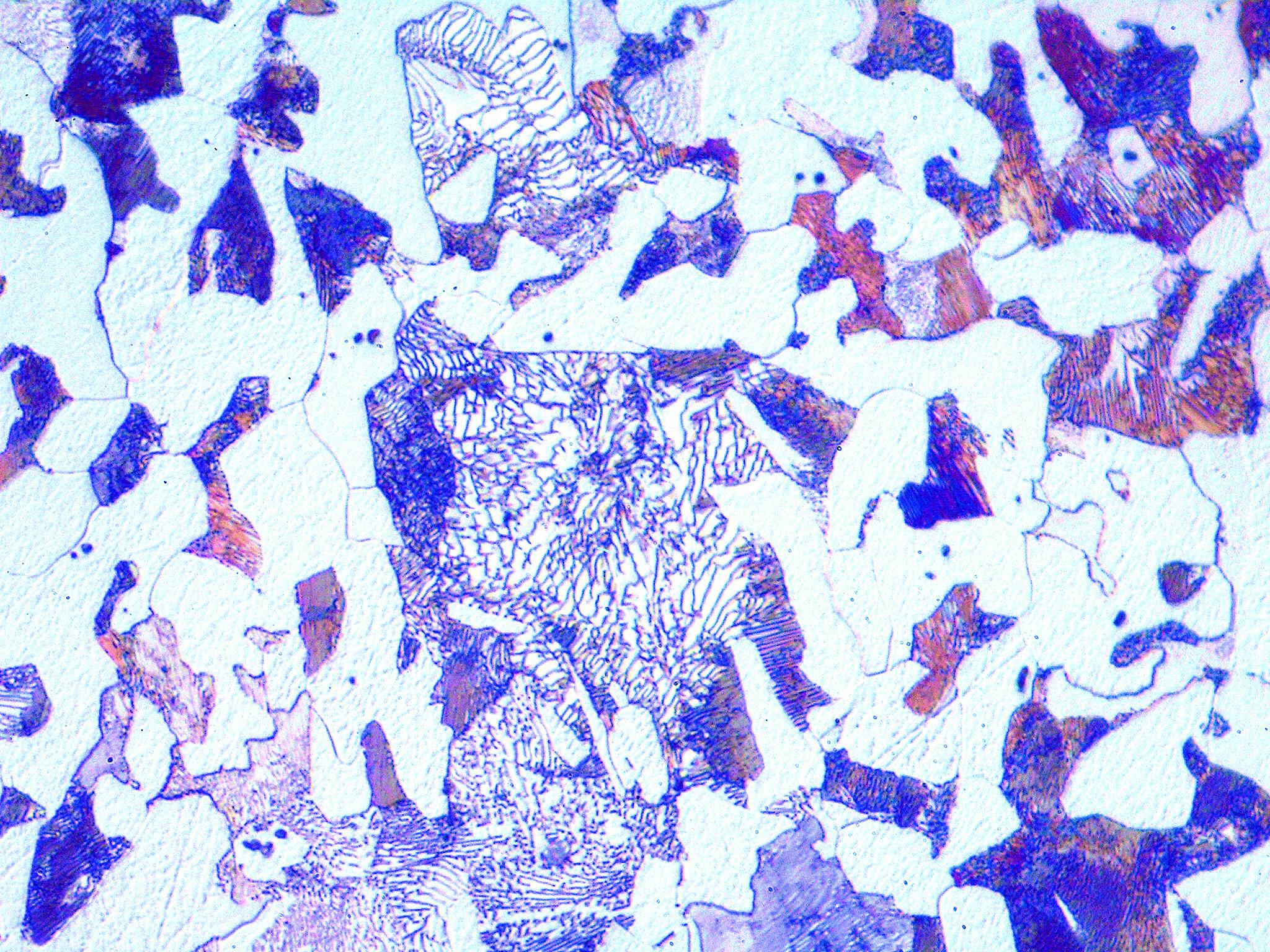
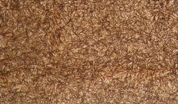
Grinding and polishing consumables
Impression consumables
AUTOMOBILE
LECTROI
THE SOURCES OF ENERG
MAKE
AVIATIO
SCIENTIFIC RESEARCH